Design wave heights are estimated stochastically by calculating the probability of significant wave heights occurring within a specific return period, utilizing observed or hindcast wave data over a given timeframe. In this study, a preliminary analysis was conducted on the acqu...
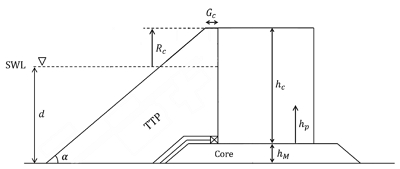
This study presents the prediction formulae for average wave overtopping rate for the simple vertical structures with a foreshore slope, based on a series of 2D hydraulic model tests. The experimental results reported by Kim and Lee (2015) were reanalyzed with the similar framew...
This study evaluates the techno-economic and commercialization feasibility of a 10-MW mobile wave energy system integrated with second-life EV battery energy storage. A hybrid swing-plate–cylinder converter and a coupled hydrodynamic–mooring–PTO simulation framework were de...
This study experimentally investigated the effects of rear-side profile changes of a vertical breakwater on wave propagation characteristics inside a harbor, using Gayeok Harbor located on the west coast of Korea as the study site. The breakwater cross-sections were classified i...
If anyone registers his/her email address, he or she will receive the email of notification when new paper is published in the web site of JKSCOE. Since it is open access journal, the full text is freely available.
Please Sign up.