기존 방조제에 설치 가능한 조력발전 장치 개발 - 개수로 현장실험 검증

The Development of Tidal Power System Can be Installed in Existing Dykes -The Open Channel Experimental Verification

Article information

J Korean Soc Coast Ocean Eng. 2023;35(1):13-21
Publication date (electronic) : 2023 February 28
doi : https://doi.org/10.9765/KSCOE.2023.35.1.13
*Chief Executive Officer, Coast and Ocean Technology Research Institute
**Senior Research Scientist, Coastal Development and Ocean Energy Research Center, Korea Institute of Ocean Science & Technology
***Professor, Ocean Civil Engineering, Mokpo Maritime National University
****Advisor, Coast and Ocean Technology Research Institute
최혁진*, 고동휘,**, 오남선***, 정신택****
*(주)해안해양기술 대표
**한국해양과학기술원 연안개발에너지연구센터 선임연구원
***목포해양대학교 해양건설공학과 교수
****(주)해안해양기술 고문
Corresponding author: Dong-Hui Ko, Senior Research Scientist, Coastal Development and Ocean Energy Research Center, Korea Institute of Ocean Science & Technology, 385, Haeyang-ro, Yeongdo-gu, Busan 49111, Korea, Tel: +82-51-664-3530, kodh02@kiost.ac.kr
Received 2023 February 6; Revised 2023 February 22; Accepted 2023 February 24.

Abstract

에너지 자원의 안정적 확보 어려움, 화석연료 이용에 따른 온실가스 방출로 지구 온난화 현상 등의 문제가 대두됨에 따라 재생에너지 개발에 대한 관심이 증가하고 있다. 조석현상은 일정한 주기를 가지고 정기적으로 발생하는 규칙성이 존재하므로 사전에 정확한 예측이 가능하여 에너지 회수 측면에서 이점이 있다. 따라서 조석을 에너지원으로 활용하기 위한 다양한 방법이 고안되어왔다. 방조제를 활용한 조력발전은 많이 운영되는 대표적인 방식이지만, 조지내 조차 감소, 수질 변화, 생태계 변화 등으로 조력발전 사업 추진이 지연되거나 중단되고 있다. 본 연구에서는 방조제가 이미 설치되어 있는 해역에 적용가능한 조력발전 장치의 개발 및 성능 검증을 위하여 현장실험을 실시하였다. 2개의 수조 및 관수로, 개수로, 웨어 그리고 수차 및 발전기를 이용하여 4종류의 실험을 수행한 결과, 10 kW 이상의 출력과 효율 60% 이상이 가능한 발전시스템 개발 가능성을 확인하였다. 이러한 연구결과는 기존 방조제를 활용한 소규모 조력발전에 활용할 수 있다.

Trans Abstract

As problems such as difficulties in securing stable energy resources and global warming due to the emission of greenhouse gases due to the use of fossil fuels have emerged, interest in the development of renewable energy is increasing. Since the tidal phenomenon has a regularity that occurs regularly with a certain period, it is possible to predict accurately in advance, which has a advantage in terms of energy recovery. Therefore, various methods have been devised to utilize the tide as an energy source. Tidal power using barrages is a representative method that is widely operated, but the promotion of tidal power generation projects is being delayed or stopped due to the decrease in the level of water in the tidal basin, changes in water quality and in the ecosystem. In this study, a field experiment was conducted to develop and verify the performance of a tidal power device applicable to sea areas where dykes are already installed. As a result of carrying out four cases of experiments using two water tanks, pipe lines, open channels, weirs, and water turbine and generator, the possibility of developing a power generation system capable of 10 kW output or more and 60% efficiency or more was confirmed. These research results can be used for small-scale tidal power by utilizing the existing dykes.

1. 서 론

화석연료 부존자원의 유한성과 자원국의 자원 무기화로 인한 에너지 자원의 안정적 확보 어려움, 화석연료 이용에 따른 온실가스 방출로 지구 온난화 현상 등의 문제가 대두됨에 따라 국제사회는 청정에너지를 확보할 수 있는 대안 마련에 몰두하고 있다.

재생에너지(renewable energy)에는 태양광, 태양열, 바이오, 풍력, 수력, 해양, 폐기물, 지열 에너지 등 자연계에 존재하는 거의 무한한 에너지이다. 이들 재생에너지는 고갈될 염려가 전혀 없고, 일단 개발이 되면 태양계가 존속하는 한 지속적으로 이용할 수 있는 특징이 있다.

해양으로 흡수된 태양에너지는 다양한 형태로 변환되어 해양에 존재하며 이와 같은 해양에너지를 활용한 대체에너지로서 파랑에너지를 이용한 파력발전, 조석간만의 차를 이용한 조력발전, 조류가 가지고 있는 운동에너지를 활용하는 조류 발전 기술 등이 대표적으로 실용화 가능한 대상이다.

우리나라의 서해안 중부, 경기만 일대는 조력에너지 개발 적지로 경제성 확보가 가능한 조력에너지가 약 2,400 MW 정도로 추정된다(Lee, 2005; Oh et al., 2007). Jeong et al. (2008)은 조력발전시스템에 대한 검토를 위하여 소규모 수조를 제작하고 시간에 따른 수위의 변화를 관측한 후 이를 이론적인 계산값과 비교하였다.

최근 Park and Youn(2017), Lee et al.(2019)이 다양한 형태의 조력발전에 대한 연구를 수행하였다. 조력발전의 경우, 발전소 건설에 따른 해양 생태계 변화 문제로 찬반 대립이 심하고, B/C 비율이 유동적이고 초기 투자비용이 많이 들며, 단기간 회수가 불가하는 등 환경 및 재정적인 문제가 대두되고 있다. Choi et al.(2023)은 방조제가 이미 설치되어 있는 해역에 적용가능한 조력발전 장치의 개발 및 성능 검증을 위하여 관수로 유속자료 중심으로 현장실험을 실시하였다. 본 연구에서는 동일한 목적을 위하여 수차 및 수문 케이슨을 활용하는 기존 조력발전 방식을 대신한 사이펀을 활용한 조력 발전 계획을 고려하여 관로, 만곡부, 밸브 등을 사용하여 실험설비를 제작하고, 유량 계측을 위하여 개수로 및 직사각형 웨어를 설치하여 실험을 수행하였다.

2. 지배방정식

2.1 에너지 방정식

Fig. 1과 같이 두 수조 A, B를 하나의 관수로를 이용하여 연결하면 물은 높은 수조에서 낮은 수조로 흐르게 된다.

Figure 1.

Connection with a pipe for two water tanks.

Fig. 1에서 양수조의 수면차를 H, 관의 입구와 출구의 기준수평면으로부터의 높이와 수심을 각각 z1, z2h1, h2라고 하면 양 수조 사이에 에너지 방정식을 적용하면 다음과 같이 표현된다(Esposito, 1998).

(1) p1γ+h1+z1+V122g=p2γ+h2+z2+V22+2g+ht+hf+hm

여기서, p는 압력, γ는 물의 단위중량(비중량), g는 중력 가속도, V는 물의 유속, ht는 터빈에 의한 수두 손실(turbine head loss), hf는 관내에서 발생하는 마찰에 의한 수두 손실, ∑hm는 형상변화에 의하여 발생하는 미소 수두손실의 총합이다. 고수조 A와 저수조 B는 대기압에 접해있고 양 수조내의 유속을 0이라고 하면, 위 식은 다음과 같이 된다.

(2) h1+z1=h2+z2+ht+hf+hmHe=h1+z1-h2+z2-hf-hm=H-hf-hm

일정한 유량 Q를 계속적으로 송수하게 되면 물은 계속적으로 일을 하게 되는데, 이 때 단위시간에 하는 일이 일률(power)이 된다. 유체에 의한 일률(Et, hydraulic power, fluid power)은 다음과 같다(Ahn, 1995; IEC 60041, 1991; IEC 60193, 2019; ESHA, 2004).

(3) Et=γQH-hf-hm=γQHe

여기서, He는 유효 수두 또는 유효 낙차(effective head)이며 일률은 양수조의 수면차인 H에서 마찰 및 형상변화에 의하여 발생하는 손실수두를 뺀 값인 He에 비례한다. 전기 일률(Ee, Electrical power)과 유체에 의한 일률(Et)은 다음과 같은 식으로 표현된다(IEC 60041, 1991; IEC 60193, 2019).

(4) Ee=ηtηgEt=ηtotEt

여기서, ηt는 수차 효율, ηg는 발전기 효율, ηtot는 전체 효율(total efficiency)이다.

2.2 관수로내의 손실 수두

관수로를 물이 흐를 때의 에너지 손실은 유체의 점성에 의하여 관벽에서 발생하는 마찰손실(Friction head loss, or Major loss)과 관의 형상 변화, 단면의 급변화, 밸브의 유무 등에 따른 미소 수두 손실(Minor loss) 등이 있다.

비압축성 정상류의 경우 관내에서 발생하는 마찰 수두 손실(Friction head loss, or major loss)은 다음과 같이 표현된다.

(5) hf=fLDV22g=fldV22g

여기서, f: 마찰계수

L: 관의 길이

D: 관의 직경

Manning의 평균유속공식과 Manning의 조도계수, n을 사용하면 식(5)는 식(6)과 같이 표현된다.

(6) hf=124,6n2D3LDV22g

한편, 관의 형상 변화, 단면의 급변화, 밸브의 유무 등에 따른 미소 수두 손실은 다음과 같이 속도수두를 사용하여 표현한다.

(7) hm=fnV22g

여기서, hm은 미소 수두손실(형상손실), fn은 손실계수이며, 흐름의 Reynolds 수와 경계면의 형상 등에 의해서 정해지는 실험계수이다. 본 연구에서는 유입 손실 수두(entrance loss) he, 밸브에 의한 손실 수두 hv 그리고 만곡부에 의한 손실 수두 hb 등을 고려하였다.

2.3 개수로의 유량 측정

본 연구에서는 개수로에 예연 웨어(sharp crested weir)를 설치하여 유량 관측을 수행하였다. 이를 위하여 웨어판의 정점과 수면과의 연직거리, 고수조 및 저수조의 수위를 Radar 수위계 및 자동레벨을 사용하여 정밀하게 측정하였다.

실험에는 직사각형 예연웨어를 사용하였으며, 그 형상은 Fig. 2에 도시하였다. 본 논문에서는 Fig. 2에 도시된 약어 및 유수 단면의 형태를 이용하여 관계 식을 정리하였다.

Figure 2.

Flow shape area of rectangular sharp crested weir.

웨어를 사용하여 개수로의 유량을 측정할 경우 다양한 형태의 유량방정식(Discharge equation)을 사용할 수 있다. Francis는 길이 3.5~16.98 ft의 예연웨어를 이용하여 실험을 수행하여 다음과 같은 lb·ft 단위 관계식을 제안하였다(Horton, 1906; USBR, 1997).

(8) Q=3.33bh32ft3/sec,USCU

한편, USBR(1997)Hwang and Houghtalen(1996)은 웨어설치에 따른 단면축소 효과를 고려하여 식(8)를 변형한 식(9)을 제안하였다.

(9) Q=3.33h32b-0.2hft3/sec,USCU

Brater et al.(1996)Ahn(1995)은 월류수심 0.18~0.5 m, 웨어폭 2.4~3 m, 웨어 높이 0.6~1.5 m 안 경우에 적용가능한 Francis의 실험결과를 표준단위계를 사용하여 다음과 같이 정리하였다.

(10) Q=1.84bh32m3/s,SI unit

Esposito(1998)는 웨어의 월류수심에 의하여 변하는 유량계수(discharge coefficient), C를 사용하고 이 값의 평균치로 0.62를 선정하여 다음과 같은 실용식을 제안하였다.

(11) Q=C232gbh32=0.584gbh32=1.829bh32m3/s, SI unit

국내의 경우 『수질오염공정시험기준』(ES 04140.2b)의 공장폐수 및 하수유량 - 측정용 수로 및 기타 유량측정방법(Ministry of Environment, 2014)에 유량공식이 제시되어 있다. 즉, 수두의 측정 장소는 웨어판 내면으로부터 0.3 m 상류인 곳으로 하고 그 위치를 표시하기 위하여 적당한 철제 기구를 사용하여 수로의 측벽 윗면에 고정하여 표시한다. 직사각형 웨어의 유량공식은 다음과 같다.

(12) Q=K·b·h3/2

여기서, Q: 유량(m3/min)

K: 유량계수

(13) =107.1+0.177h+14.2hDw-25.7B-bhDw·B+2.04BDw

Dw: 수로의 밑면으로부터 절단 하부 모서리까지의 높이(m)

B: 수로의 폭(m)

b: 절단의 폭(m)

h: 웨어의 월류 수심(m)

식(12)는 유량계수 공식(13)에 보인 바와 같이, 식(8)~(11)에 비하여 4개의 변수를 포함하여 다양한 수리학적 현상들을 고려할 수 있다.

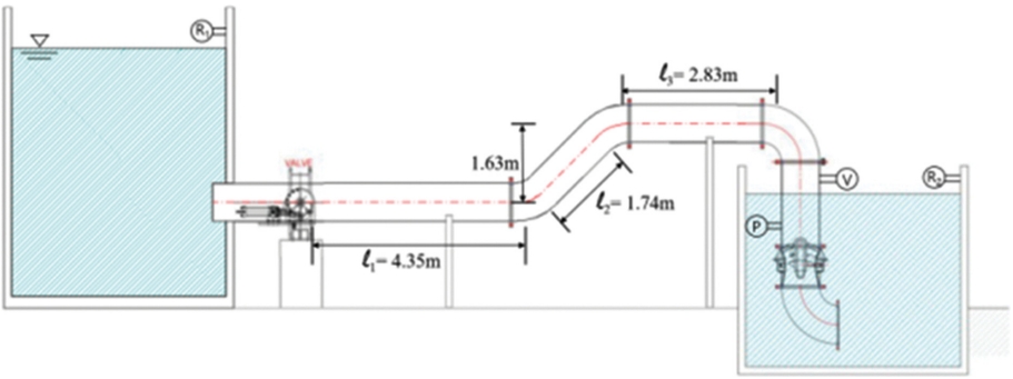
3. 실험 장치

현장실험은 충청남도 논산시 소재의 금성 E&C 공장 야외에 설치된 수력성능 시험장을 개조하여 사용하였으며, 조력 발전 계통 단면은 Fig. 3에 제시하였다. 금성 E&C 수력성능시험장에서는 이와 유사한 실험을 진행한 바 있다(MOLIT, 2019; Choi et al., 2023).

Figure 3.

Schematic section of tidal power system.

관측 항목은 고·저수조의 수위 그리고 일률이며, 계측 지점위치는 Fig. 3에 도시하였다. 여기서, , 는 고수위 및 저수위, 는 유속, 그리고 는 일률 측정 지점을 각각 나타낸다.

수력성능 시험장의 회류시스템은 Fig. 4(a), 평면도는 Fig. 4(b)에 각각 도시하였다. 웨어는 Fig. 4(b)에 도시한 바와 같이, 하류 8 m 지점에 개수로 폭 2 m의 전단면에 설치하였다.

Figure 4.

(a) Circulation system of hydropower performance test site. (b) Plan view of hydropower performance test site.

본 실험에 사용한 측정 설비, 수차 및 발전기의 사양은 Choi et al.(2023)과 동일하며, 설비의 마찰 및 형상손실 계산치는 각각 Table 1, 2와 같다. 본 연구에서는 n 값으로 0.014(주철관), 관로 직경 D = 0.5 m를 사용하였다.

List of the friction loss coefficients

List of the minor loss coefficients

4. 실험 및 결과 분석

실험은 전체 단면에 사각형 예연웨어를 설치하여 수행하였으며, Fig. 2에 도시된 웨어의 주요 제원은 다음과 같다.

B =b = 2 m, Dw = 0.573 m

본 실험에서는 사각웨어의 유량 산정을 위하여 USBR(1997)Hwang and Houghtalen(1996)이 제안한 식(9)를 사용하였다. 식(9)를 사용한 이유는 관수로의 유속치를 분석한 Choi et al.(2023)의 결과에 가장 근접하기 때문이다.

실험은 고수조에 물을 채운후 밸브를 개방하여 저수조로 물을 보내면서 실험을 수행하되, 고수조는 초기 수위를 변화시키고, 저수조는 초기 수위를 웨어(weir)의 정점에 고정시키고 실험을 수행하였다. 이때 유량 조절을 위하여 밸브의 개방율을 50%, 55%, 60% 총 3가지 경우로 제한하였다. 또한 발전 유량 확보를 위하여 펌프를 이용하여 저수조의 유량을 고수조로 회류시키면서 추가 실험을 진행하여 시간 변화에 따른 고수조 및 저수조의 수위, 웨어 월류 수심 등을 측정하였다. 실험 c ase는 Table 3에 정리한 바와 같이 총 4종류에 대하여 수행하였다.

Experimental 4 cases of weir flowrate measurement

4종류의 실험에 대하여 시간별 유량, 수위 변화의 관측치, 발전량 등의 분석결과를 Fig. 5~Fig. 8에 도시하였다.

Figure 5.

Plots of results for case W1.

Figure 6.

Plots of results for case W2.

Figure 7.

Plots of results for case W3.

Figure 8.

Plots of results for case W4.

전술한 4가지 경우에 대하여 수리 실험을 통하여 관측된 발전량과 이론 수리학적 발전량, 그리고 효율을 정리한 도시한 결과는 Fig. 9와 같다. 이들 결과는 개수로내에 설치한 radar sensor 수위계와 사각형 웨어로 관측한 값을 사용하여 도출한 결과이다.

Figure 9.

Plots of measured, hydraulic power and efficiency for W1~W4 cases.

발전기의 운동특성은 정격출력(Rated output)에 도달하기까지 Ramp up 구간, 정격 출력되는 정상상태(유효전력) 구간, 그리고 발전 정지에 의한 Ramp down 구간으로 나누어져 있다. 이러한 경향은 4종류의 실험결과를 도시한 Fig. 5~Fig. 8에 잘 나타나 있으며, Ramp up/down 구간 전력은 무효전력 구간이므로 분석에서 제외하고, 정상상태 구간의 값을 통계 분석하여 Table 4에 정리하였다.

Statistical data of operation time, power and efficiency for 4 cases

5. 결론 및 토의

이미 건설된 방조제가 설치되어 있는 해역에 적용가능한 조력발전 장치의 개발 및 성능 검증을 위하여 개수로 및 웨어를 이용한 4종류의 현장실험을 실시한 결과, 10 kW 이상의 발전출력과 발전효율 60% 이상이 가능한 조력발전 시스템 개발 가능성을 확인하였다. 종합한 결과 W4의 경우, 밸브 개폐율 및 초기 수위차가 가장 크며, 펌프를 가동하여, 비교적 장시간 동안 물을 순환하면서 관측을 수행하여 관측 발전량이 가장 크다는 것을 알 수 있다.

본 연구에서는 개수로 및 웨어에서 측정한 유속자료를 직접 이용하여 분석하였다. 이 자료들은 시계열치의 변동이 미미하기 때문에 원자료를 직접 활용하여 분석을 수행하였다. 반면 Choi et al.(2023)은 10초 간격으로 중심화 이동평균(moving average)한 자료를 분석하고, 중심화 이동평균치와 관측치의 잔차에 대한 통계적 분석을 수행하였다. 그 이유는 프로펠러 유속계를 이용하여 1/10초 간격으로 유속을 측정한 결과 관수로내 난류 발생 및 공기 유입 등으로 관측치의 변화가 심하기 발생하기 때문이며, 관수로 유속 측정치 대신 개수로 유량 측정치를 활용하는 것이 신뢰성이 높은 분석을 할 수 있다.

대부분의 자연에너지원의 경우와 마찬가지로 해양에너지는 시간과 장소에 따라 변화하는 변동성과 분산성을 가지고 있다. 따라서, 조력, 조류, 파력 등의 해양에너지원을 복합적으로 활용함으로써 변동적이고 분산적인 에너지원을 취합하여 안정적으로 에너지를 생산할 수 있고, 또 취득한 에너지를 현장 근처에서 유용하게 활용함으로써 해양의 환경개선과 연안의 생산성 증가를 추구할 수 있다.

감사의 글

본 논문은 해양수산부 해양산업 성장 기술개발 사업인 “항만시설물 전력공급용 1 kW급 조력발전장치 개발(과제번호: 20210224)”과제와 2022년도 교육부의 재원으로 한국연구재단의 지원을 받아 수행된 “지자체-대학 협력기반 지역혁신 사업(2021RIS-002)”의 일환으로 수행되었습니다. 연구지원에 감사드립니다.

References

Ahn, S.H. (1995). Hydraulics. Dong_Myung Press. (in Korean).
Brater, E.F., King, H.W., Lindell, J.E. and Wei, C.Y. (1996). Handbook of Hydraulics, 7th edition, McGraw-Hill.
Choi H., Oh N.-S., Ko D.-H., Jeong S.T.. 2023;The development of 10 kW class tidal power generator system - Focusing on field experiments with pipelines. Journal of Korean Society of Coastal and Ocean Engineers 35(1):1–12.
Esposito, A. (1998). Fluid Mechanics with Applications, Prentice Hall.
European Small Hydropower Association (ESHA) (2004). Guide on How to Develop a Small Hydropower Plant.
Horton, R.E. 1906. Weir experiments, coefficients, and formulas, Water-Supply and Irrigation Paper No. 150 Department of the interior United States Geological Survey;
Hwang, N.H.C. and Houghtalen, R.J. (1996). Fundamentals of Hydraulic Engineering systems, Prentice Hall.
IEC 60041 (1991), Field acceptance test to determine the hydraulic performance of hydraulic turbines, storage pumps and pump-turbines.
IEC 60193 (2019), Hydraulic turbines, storage pumps and pump-turbines-Model acceptance tests.
Jeong S.T., Kim J.D., Ko D.H., Choi W.J., Oh N.S.. 2008;The experimental study on the evaluation of tidal power generation output using water tank. Journal of Korean Society of Coastal and Ocean Engineers 20(2):232–237.
Lee, K.-S. (2005). Feasibility of tidal resource development on the korean peninsula, annual autumn meeting of the Korean Society for new and renewable energy, 342-350 (in Korean).
Lee S., Kim H., Jang T., Lee Y., Lee S. 2019. The development of two-way tidal power generation program based on analysis of basin level according to generating power. Annual Spring Meeting of the Korean Society for New and Renewable Energy p. 235. (in Korean).
Ministry of Environment (2014), Water Pollution Process Test Criteria. ES 04140.2b, Industrial and Municipal Wastewater -Flow in flume and so on (in Korean).
Ministry of Land, Infrastructure and Transport (MOLIT) (2019). Water disaster response Water resource utilization technology and IoT integration system development final report (in Korean).
Oh M.-H., Park J.-S., Lee K.-S.. 2007;Conditions for development of tidal energy in Korea. Magazine of the Korean Society of Civil Engineers 55(12):135–140.
Park Y.H., Youn D.Y.. 2017;Applicability of a new tidal power system with reduced environmental impact. Journal of the Korea Academia-Industrial Cooperation Society 18(12):112–117.
U.S. Department of the Interior Bureau of Reclamation(USBR) (1997). Water Measurement Manual, 3rd edition.

Article information Continued

Figure 1.

Connection with a pipe for two water tanks.

Figure 2.

Flow shape area of rectangular sharp crested weir.

Figure 3.

Schematic section of tidal power system.

Figure 4.

(a) Circulation system of hydropower performance test site. (b) Plan view of hydropower performance test site.

Figure 5.

Plots of results for case W1.

Figure 6.

Plots of results for case W2.

Figure 7.

Plots of results for case W3.

Figure 8.

Plots of results for case W4.

Figure 9.

Plots of measured, hydraulic power and efficiency for W1~W4 cases.

Table 1.

List of the friction loss coefficients

No Descriptions Calculation Remarks
1 horizontal pipe 1, l1 = 4.35m hf1=fl1DV22g=124.6*n2D3l1DV22g n = 0.014, D = 0.5m, Refer to Fig. 3
2 45° bend pipe 2, l2 = 1.74m hf2=fl2DV22g=124.6*n2D3l2DV22g
3 horizontal pipe 3, l3 = 2.83m hf3=fl3DV22g=124.6*n2D3l3DV22g
Sum fld = 0.55

Table 2.

List of the minor loss coefficients

No Descriptions Calculation Remarks
1 entrance loss he = 0.5(V2/2g) Esposito (1998), Refer to Fig. 3
2 valve loss hv = 2.5(V2/2g)
3 45° elbow loss hb = 0.4(V2/2g)
4 45° elbow loss hb = 0.4(V2/2g)
5 90° elbow loss hb = 0.75(V2/2g)
Sum fn = 4.55

Table 3.

Experimental 4 cases of weir flowrate measurement

Condition Valve opening rate (%) Initial net head (unit: m) Operation time (unit: s) Water circulation
Case
W1 50 9.2 295 circulation
W2 55 8.5 117 no circulation
W3 55 8.5 212 circulation
W4 60 9.4 246 circulation

Table 4.

Statistical data of operation time, power and efficiency for 4 cases

Condition Operation time (s)
Hydraulic power (kW)
Case From To Dur. Min. Max. Mean
W1 80.0 250 170.0 16.49 19.62 17.95
W2 45.0 90 45.0 11.38 15.19 14.56
W3 60.0 190 130.0 15.82 17.75 16.89
W4 50.0 200 150.0 17.35 20.12 18.93
Condition Measured power (kW)
Total efficiency (%)
Case Min. Max. Mean Min. Max. Mean
W1 9.85 11.96 10.79 57.46 62.13 60.08
W2 8.80 10.68 10.02 58.21 93.61 69.22
W3 7.74 11.58 10.73 48.58 71.46 63.50
W4 11.56 14.50 12.74 63.47 83.56 67.32